Features
DG series is a large diameter hollow rotating platform,it is also a kind of hollow shaft planetary gearbox,with flange output,simple wiring and piping.DG Series hollow rotating actuator has a simple design,directly installation to the transmission device,saving the trouble of maintenance.
DG hollow rotating platform is with high positing accuracy,can be to 15sec in a very short time.It is most used in the precision production fields,such as cell phone production machines,camera productions,mechanical tools,laminating machine,etc.
DG hollow rotating platform total has four models:DG-62,DG-85,DG-130,DG-200.
DG-62 suits for 100W motor,the ratio is 5:1
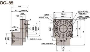
DG-85 suits for 200-400W motor,the ratio is 5:1
DG-130 suits for 200-400W motor,the ratio is 10:1
DG-200 suits for 750-1KW motor,the ratio is 10:1
DG series is a economical hollow shaft planetary gearbox,usually apply for small load motion system.If the load or torque is large,please choose ZK series hollow rotating platform or PAD series planetary gearbox.
DG series hollow rotating platform main features
1.Large diameter,hollow rotating
2.Easy design,direct connecting
3.Easily restore original point
4.Short posting time
5.High positing accuracy

DG hollow rotating platform working control system

DG series hollow rotating platform reducer is a revolutionary product, with combination of high working efficiency, high stiffness, high precision and high cost performance. It mainly used in various occasions of rotating motions,such as cell phone factories,camera producing,mulch applicator fields,etc. DG series total have 4 types:DG-62;DG-85;DG-130;DG-200,each model only have just one ratio,can match the servo motor from 100W-1KW.
Dimensions




Parameters
| Specification | Unit | DG-62 | DG-85 | DG-130 | DG-200 |
| Matching servo motor | W | 100W | 200-400W | 200-400W | 750-1000W |
| Allowance Torque | Nm | 3.5 | 20 | 20 | 65 |
| Rotating Inertia | kgm2 | 2480*10-6 | 2498*10-6 | 9472*10-6 | 93581*10-6 |
| Permitted Speed | rpm | 200 | 200 | 200 | 200 |
| Ratio | 1/5 | 1/5 | 1/10 | 1/10 | |
| Position Accuracy | sec | ≤15 | ≤15 | ≤15 | ≤15 |
| Repeat Position Accuracy | sec | ±10 | ±5 | ±5 | ±5 |
| Allowance Thrust Load | kgf | 20 | 200 | 250 | 500 |
| Allowance Inertia Load | Nm | 10 | 60 | 60 | 200 |
| Rotating Table Parallelism | um | ±5 | ±2 | ±2 | ±2 |
| Rotating Table Coaxiality | mm | ±0.01 | ±0.01 | ±0.01 | ±0.01 |
| Weight | kg | 2.2 | 3 | 5.5 | 14 |
Installation

Application
1.Mobile phone and camera industries
2.Mulch applicator fields
3.Rotation bench of production line automatic reform
4.Laser marking machine
5.Engraving machine ( rotating chuck)
6.Precise alignment mechanism ( rotating shaft)
7.Light load mechanical arm
8.Textile machine
9.Packing machine
10.CNC gantry milling machine
11.Semiconductor device
12.Wood-working machine
13.Pipe bender
14.Index division machine
Download
Real Pictures
















